活性炭吸附脫附催化燃燒設備 閱讀次數:
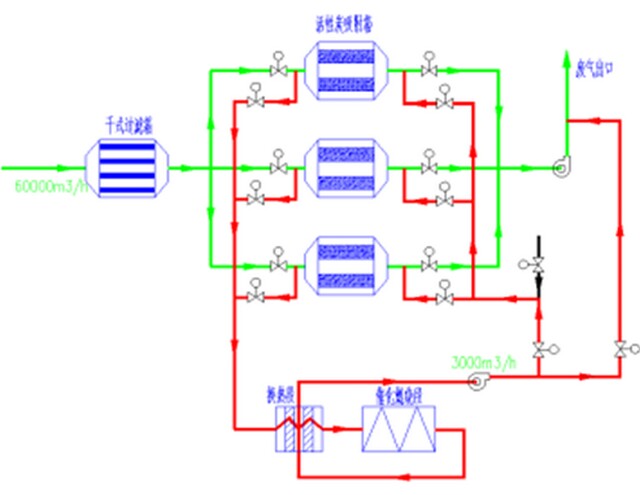
★工藝流程圖

★工藝流程說明
治理工藝流程主要包括四部分:預處理、吸附氣體流程、脫附氣體流程、控制系統,詳見上圖的工藝流程圖。
■預處理
廢氣中含有的一定量粉塵及懸浮有機物,為防止粉塵對活性炭吸附床造成不利影響,需設置效果較好的噴淋或干式過濾器,噴淋可以較有效的去除廢氣中的顆粒物,而干式過濾器通過兩級過濾,可以有效去除廢氣中的水汽及殘留顆粒物。
■吸附氣體流程
去除粉塵后的廢氣,經過合理的布風,使其均勻地通過固定在吸附床內的活性炭層的過流斷面,在一定的停留時間內,由于活性炭表面與有機廢氣分子間相互引力的作用產生物理吸附(又稱范德華吸附),其特點是:吸附質(有機廢氣)和吸附劑(活性炭)相互不發生反應;過程進行較快;吸附劑本身性質在吸附過程中不變化;吸附過程可逆;從而將廢氣中的有機成份吸附在活性炭的表面,從而使廢氣得到凈化,凈化后的潔凈氣體通過風機及煙囪達標排放。
■脫附氣體流程
當吸附床吸附飽和后,關閉吸附箱進出口閥門。啟動脫附風機對該吸附床脫附,脫附氣體首先經過催化床中的換熱器,然后進入催化床中的預熱器,在電加熱器的作用下,使氣體溫度提高到250-350℃左右,再通過催化劑,有機物質在催化劑的作用下燃燒,被分解為CO2和H2O,同時放出大量的熱,氣體溫度進一部提高,該高溫氣體再次通過換熱器,與進來的冷風換熱,回收一部分熱量。從換熱器出來的氣體分兩部分:一部分直接排空;另一部分進入吸附床對活性炭進行脫附。當脫附溫度過高時可啟動補冷風機進行補冷,使脫附氣體溫度穩定在一個合適的范圍內。活性炭吸附床內溫度超過報警值,自動啟用火災應急自動噴淋系統。
★催化燃燒系統
催化凈化裝置內設加熱室,啟動加熱裝置,進入內部循環,當有機物進入催化室進行催化分解成CO2和H2O,同時釋放出能量,有機廢氣在催化燃燒室內維持自燃。
★結構原理說明
■催化燃燒原理
利用催化劑做中間體,使有機氣體在較低的溫度下,變成無害的水和二氧化碳氣體,即:

![]()
有機氣體通過引風機作用送入凈化裝置,首先通過阻火器系統,然后進入換熱器,再送入到加熱室,通過加熱裝置,使氣體達到燃燒反應溫度,再通過催化床的作用,使有機氣體分解成二氧化碳和水,再進入換熱器與低溫氣體進行熱交換,使進入的氣體溫度升高達到反應溫度,如達不到反應溫度,這樣加熱系統就可以通過自控系統實現補償加熱,使它完全燃燒,這樣節省了能源,廢氣有效去除率達標排放,符合國家排放標準。
■催化燃燒裝置結構
本裝置由主機、引風機及電控柜組成,凈化裝置主機由換熱器、催化床、電加熱元件、阻火器和防爆裝置等組成,阻火器位于進氣管道上,防爆裝置設在主機的頂部,其工藝流程示意圖如下:
★設備特點
■用貴金屬鈀、鉑鍍在蜂窩陶瓷載體上作催化劑,凈化效率高達95%以上,催化劑使用壽命長,且可以再生,氣流通暢,阻力小。
■安全設施完備:設有阻火除塵器、泄壓口、超溫報警等保護設施。
■耗用功率:開始工作時,預熱15~30分鐘全功率加熱,正常工作時只消耗風機功率即可。當廢氣濃度較低時,自動間歇補償加熱。
★整套設備技術性能及特點
■該設備設計原理先進,用材獨特,性能穩定,操作簡單,安全可靠,無二次污染。設備占地面積小、重量較輕。
■催化燃燒室采用陶瓷蜂窩體的貴金屬催化劑,阻力小,用低壓風機就可以正常運轉,不但耗電少而且噪音低。
■催化燃燒效率高、凈化徹底。采用貴金屬催化劑,使起燃溫度低、燃燒徹底、安全無焰燃燒,產物無毒、無害。同時加熱功率維持時間為1小時左右,節約能源。


★主要技術參數、尺寸表
風量(m3/h(CMH)) | 脫附形式 | 箱體數量 | 外形尺寸:長×寬×高(m) | 催化燃燒 |
10000/20000 | 在線/離線 | 2 | 1.2*2.4*1.6 | CR-300 |
20000/30000 | 在線/離線 | 3 | 1.2*2.4*1.6 | CR-300 |
30000/40000 | 在線/離線 | 4 | 1.2*2.4*1.6 | CR-300 |
40000/50000 | 在線/離線 | 5 | 1.2*2.4*1.6 | CR-300 |
50000 | 在線 | 6 | 1.2*2.4*1.6 | CR-300 |
60000 | 離線 | 3 | 2.4*2.4*2.1 | CR-500 |
60000/80000 | 在線/離線 | 4 | 2.4*2.4*2.1 | CR-500 |
80000/100000 | 在線/離線 | 5 | 2.4*2.4*2.1 | CR-500 |
注:以上參數僅供參考,具體以實際或客戶要求為準
